The photos you provided may be used to improve Bing image processing services.
Privacy Policy
|
Terms of Use
Can't use this link. Check that your link starts with 'http://' or 'https://' to try again.
Unable to process this search. Please try a different image or keywords.
Try Visual Search
Search, identify objects and text, translate, or solve problems using an image
Drag one or more images here,
upload an image
or
open camera
Drop images here to start your search
To use Visual Search, enable the camera in this browser
All
Search
Images
Inspiration
Create
Collections
Videos
Maps
News
More
Shopping
Flights
Travel
Notebook
Autoplay all GIFs
Change autoplay and other image settings here
Autoplay all GIFs
Flip the switch to turn them on
Autoplay GIFs
Image size
All
Small
Medium
Large
Extra large
At least... *
Customized Width
x
Customized Height
px
Please enter a number for Width and Height
Color
All
Color only
Black & white
Type
All
Photograph
Clipart
Line drawing
Animated GIF
Transparent
Layout
All
Square
Wide
Tall
People
All
Just faces
Head & shoulders
Date
All
Past 24 hours
Past week
Past month
Past year
License
All
All Creative Commons
Public domain
Free to share and use
Free to share and use commercially
Free to modify, share, and use
Free to modify, share, and use commercially
Learn more
Clear filters
SafeSearch:
Moderate
Strict
Moderate (default)
Off
Filter
1600×596
biggsmotoring.com
2011-2012 Dodge Ram 1500 AC Heater Climate Control Unit 55111290AD
1600×1066
biggsmotoring.com
2011-2012 Dodge Ram 1500 AC Heater Climate Control Unit 55111290AD
1600×622
biggsmotoring.com
2011-2012 Dodge Ram 1500 AC Heater Climate Control Unit 55111290AD
1600×659
biggsmotoring.com
2011-2012 Dodge Ram 1500 Digital AC Heater Climate Control Unit 551112
1572×1116
germanaudiotech.com
2011-2012 Dodge Ram 1500 AC Heater Climate Control Temperat…
800×450
germanaudiotech.com
2011-2012 Dodge Ram 1500 AC Heater Climate Control Temperature OEM 551 ...
1200×1200
germanaudiotech.com
2011-2012 Dodge Ram 1500 AC Heater Clima…
800×800
octopus-center.com
DODGE RAM HEATER CLIMATE CONTROL 20…
5308×2505
1factoryradio.com
Dodge 2008-2010 Temperature AC Heat Climate Control Module P55111872AD ...
5217×2475
1factoryradio.com
Dodge 2008-2010 Temperature AC Heat Climate Control Module P55111872AD ...
1512×2016
crashedparts.com
Dodge Ram Climate Control …
1512×2016
crashedparts.com
Dodge Charger Climate Control M…
2100×2550
parts.chryslerjeepdodgecityofmckinney.com
Ram 5500 Wiring. Front end module. [front en…
1000×1000
yorkautoparts.com
06 07 Dodge Ram 1500 2500 AC Heater Temperature Cli…
1050×1275
parts.chryslerjeepdodgecityofmckinney.com
Dodge Ram 5500 Housing. Used for: a/…
1512×2016
crashedparts.com
Dodge RAM AC Climate Control Pa…
700×700
oemdirectradios.com
Dodge Dakota 2008 2009 2010 2011 Factory OEM T…
800×800
octopus-center.com
DODGE RAM 1500 2500 3500 DAKOTA AC HEATER CLIMA…
800×800
octopus-center.com
DODGE RAM 1500 2500 3500 DAKOTA AC HEATER CLIMA…
1600×1200
germanaudiotech.com
2011-2012 Dodge Ram Climate Temperature Controls Dual Zone OEM 5511129 ...
1600×1200
germanaudiotech.com
2011-2012 Dodge Ram Climate Temperature Controls Dual Zone OEM 5511129 ...
1600×1200
germanaudiotech.com
2011-2012 Dodge Ram Climate Temperature Controls Dual Zone OE…
1200×793
germanaudiotech.com
2002-2005 DODGE RAM 1500 2500 3500 AC Heater Climate Temperature Contr ...
1600×1067
strategicautoparts.com
2009-2011 Dodge Ram 1500 - A/C Heater Climate Control 55056826AE ...
1024×1024
biggsmotoring.com
2009-2010 Dodge Ram 1500 AC Heater Climate Contro…
1024×1024
biggsmotoring.com
2009-2010 Dodge Ram 1500 AC Heater Clim…
1024×1024
biggsmotoring.com
2009-2010 Dodge Ram 1500 AC Heater Clim…
1024×1024
biggsmotoring.com
2009-2010 Dodge Ram 1500 AC Heater Clim…
1024×682
biggsmotoring.com
2009-2010 Dodge Ram 1500 AC Heater Climate Control Unit 55056…
3264×1836
parts.chryslerjeepdodgecityofmckinney.com
Ram 2500 Control. Used for: a/c and heater. [air cond - 55111291AD ...
1024×1024
biggsmotoring.com
2006-2008 Dodge Ram 1500 2500 3500 Dual Ac Heater Cl…
1024×1024
biggsmotoring.com
2006-2008 Dodge Ram 1500 2500 350…
1692×2064
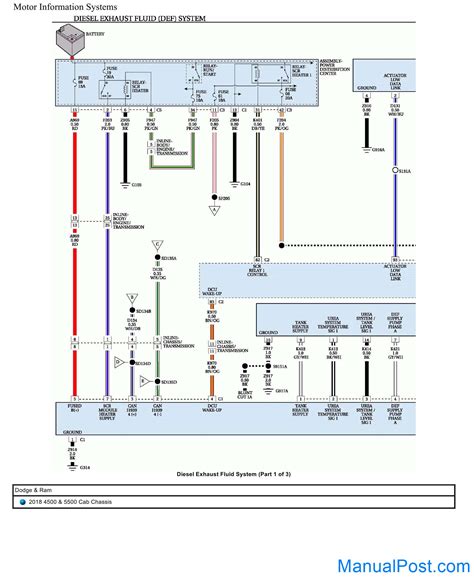
manualpost.com
Dodge and Ram Truck 4500 and …
462×164
moparpartswebstores.com
Dodge Ram 1500 Air conditioning (a/c) and heater. Control - 55056826AK ...
800×532
2040-parts.com
Purchase READ FIRST 02-05 Dodge RAM 1500 Dakota AC Cli…
Some results have been hidden because they may be inaccessible to you.
Show inaccessible results
Report an inappropriate content
Please select one of the options below.
Not Relevant
Offensive
Adult
Child Sexual Abuse
Feedback